自动化立体仓库的出现对货物储存具有划时代的意义, 它不仅彻底改变了仓储行业劳动密集、效率低的落后面貌, 而且拓展了仓库功能, 使之从单纯的保管型向综合流通型方向发展。近些年,随着物联网的普及,我国仓储行业得到了大力发展,但长直杆件(6 m以上)、重载货物(单元货物3 t 以上)的立体存储仍旧发展缓慢,大多依然采用自然堆放的仓储方式[1,2]。这种低效的仓储方式已经不适应我国当前快捷物流、高效生产的实际需要。因此,迫切需要建立真正意义上的长直杆件自动化立体仓库。
货架是自动化立体仓库存储货物的重要基础设施,要求具有良好的承载、抗震能力和结构稳定性[3,4]。特别是在尺寸长、质量大的铝型材仓储行业中,对货架的稳定性要求更高,本文针对一直以来对重载高层货架钢结构设计存在盲目性问题,提出了适用于存放长直杆件的悬臂梁式货架设计方法。
1 悬臂梁式货架设计方法

1.1 悬臂梁式货架结构
悬臂梁式货架钢结构由立柱、横梁、悬臂梁、底座构成,底座与地面固连,在垂直立柱的两侧伸出悬臂。其前伸悬臂梁具有结构轻巧、载重能力强的特点,适用于存放较长的物料。见图1。

1.2 货架受力分析
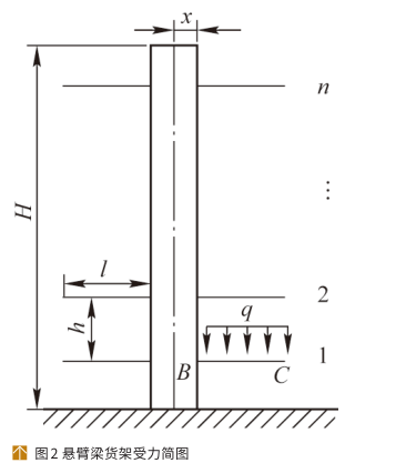
悬臂梁货架受力分析简图如图2 所示。由低层到最高层,悬臂梁编号依次为1~ n ,悬臂梁的长度为l ,货格高为h ,立柱总高为H,立柱边到中性面距为x ,悬臂梁上受均布荷q 。
1.2.1 悬臂梁受力分析悬臂梁所受最大弯矩M1=q2/2,在悬臂梁与立柱的连接节点处,悬臂梁上最大的弯曲应力σ 1=M1/W1,W1为悬臂梁的抗弯截面系数。因为为纯弯曲梁,此时梁的弯曲应力即为正应力。同时可以得出悬臂梁C 点处的挠度ωc=q 4(8EI 1),I 1 为悬臂梁横截面对中性轴的惯性矩。参照文献[5],悬臂梁最大挠度为/300, 即ωc=q 4 (8EI 1)≤/300。
1.2.2 立柱受力分析立柱所受最大弯矩22 M =ql 2+2qlx ,在悬臂梁与立柱节点处,立柱上最大弯曲应力2 2 2 σ =M W , W2 为立柱的抗弯截面系数。满载情况下,立柱受到的最大弯曲应力

在货架单侧满载的情况下,立柱形成最大挠度。
第1 层受载时,立柱挠度

2 悬臂梁式立体货架设计
根据上述理论推导,本文针对某铝业公司的生产实际,设计适用于长直杆件存储的悬臂梁式立体货架。该企业主要生产的各类铝型材尺寸规格以6 m 和12 m 为主,单元货架尺寸设计为12 000(L )mm×760( )mm×1 050(h )mm,根据厂房设计要求货架总高为10.5 m,两托举悬臂间距为1 500 mm,单悬臂载重0.4 t,单元货架第2 层受载时,立柱挠度载重3.6 t。悬臂梁式货架设计的关键是立柱与悬臂梁构件选型。构件截面形状不同,其抗弯截面系数Wz 也不同。在选取经济合理的截面时,一般用比值 Wz /A 来衡量截面形状的合理性和经济性,其中A 表示截面面积。通过比较圆形、矩形、工字型钢等几种标准型材的Wz /A的值,悬臂梁和立柱选用具有良好抗弯和经济性能的工字钢,横梁选用矩形管。
2.1 悬臂梁型钢选取
悬臂梁选用Q235 钢,弹性模量 E =200 ,横截面选用Wz 与A 比值较大的工字型钢,由悬臂梁刚度强度计算公式得到W1 ≥6.928cm 3 得到 I 1 ≥ 42.454cm 4 。参照文献[6],悬臂梁选10 号工字钢。
2.2 立柱型钢选取
立柱是货架承重的主要部件,其稳定性决定货架的寿命和仓库人员的安全。立柱采用Q235 钢,弹性模E =200 GPa 。按照式(1)和式(6),有

3 单元货架有限元仿真
3.1 建立有限元模型
在工程钢结构中,有限元法是一种简单有效的分析计算方法[7]。本文在Ansys Workbench中对单元货架进行力学性能和震动稳定性分析,以进一步验证理论公式的合理性。
在Pro/E 中建立三维模型,然后导入AnsysWorkbench中,以立柱的中心线为基准,设定各构件连接部位为固接方式,单元类型采用实体单元Solid 236,采用自由网格划分法,网格大小为2 mm。货架系统所采用钢材属性:杨氏弹性模量E =200 GPa,泊松比μ =0.3,密度ρ =7 850kg/m 3 ,屈服强度σ =215 MPa。建立有限元模型如图3 所示。

3.2 货架仿真分析
在货架分析中主要考虑:货架满载时,货架立柱及悬臂梁的正应力及挠度;货架单侧满载时,货架立柱及悬臂梁的弯曲应力和挠度。由于悬臂式货架承载时,货架立柱及悬臂梁的弯曲应力远远大于正应力,所以本文主要分析货架单侧满载状况下的应力及挠度。货架与地基接触处属于固定连接,采用全约束,限制全部自由度。载荷采用均布方式全部施 (a) 悬臂弯曲应力云图 (b) 悬臂垂直位移图图4 悬臂梁仿真分析加于悬臂梁承载表面。悬臂梁最大弯曲轴应力图及悬臂梁弯曲位移如图4 所示。仿真结果显示,悬臂梁最大弯曲应力为35.323 MPa,最大挠度为2.099 2 mm,均满足货架悬臂应力与挠度形变的设计要求。

立柱最大弯曲轴应力图及弯曲位移图见图5。仿真结果显示,立柱最大弯曲应力为24.83 MPa,最大挠度为9.618 2 mm 小于立柱的挠度许用值10.5 mm,满足货架立柱的设计要求。

4 货架振动稳定性分析
货架系统在仓储过程中,除受到静载荷作用,还会有冲击载荷的作用,同时要考虑到地震影响因素。对货架模型进行模态分析来确定货架的基本振型和固有频率,本文采用最大静力法,求出货架满载时在震动载荷作用下的最大应力。对货架进行模态分析,得到前十阶固有频率如表2 所示。地震作用为垂直震动和水平震动,第一阶振型沿水平方向,其他振型为组合振型,故取第一阶振型为货架固有频率f =1.94 Hz。

4.1 地震载荷
根据最新版《构筑物抗震设计规范》,震动载荷只需要计算水平方向的作用力[8]。根据当地建筑防地震等级需要,本货架的防震等级为6 级,地震加速度取0.1g ,其总的水平载荷[9]

式中:C x 为地震响应系数,与场地、振动周期以及震动加速度有关;I p 为系统重要因子,对于重要设施取I p=1.5,非重要设施取I
p=1,本文取I p=1;货物载荷D=635 040 N,货架自重P =117 256N。根据文献[10],地震系数

式中:C v 为地震系数,与场地和地震加速度有关,取C v =0.24;R 为安全系数,取R=4;T 为货架振动周期,T = 1 f =0.515 s。
结合上面两个公式,得到水平载荷F =44 671 N。
4.2 仿真结果
对货架施加沿水平方向的水平载荷来模拟地震载荷。分别沿立柱排列方向和垂直立柱排列方向施加载荷,得到仿真结果如图6 所示。立柱最大应力为100.99MPa,低于钢材的屈服强度,说明货架能满足6 级地震使用要求。
(a) 载荷沿立柱排列方向 (b) 载荷垂直立柱排列图6 立柱受地震载荷仿真应力云图
5 结论
对悬臂式货架进行分析,推导出高层重载货架钢结构参数与承载的关系式,为长直杆件货架的设计提供了新方法。在标准型材的基础上,应用新方法对存放长直杆件的悬臂式货架进行设计,并结合仿真分析验证了关系式的适用性。对高层重载货架进行稳定性分析,在地震载荷下,立柱最大应力为100.99 MPa,低于立柱材料的屈服强度, 进一步验证了运用所述计算关系式设计的货架满足强度和刚度设计要求。
参考文献
[1] 唐性宇, 马笑. 自动化立体仓库在铝型材行业的应用[J].轻合金加工技术,2016,44(3):48-53.
[2] 刘景义, 张爱民, 黎嘉杰. 我国首家铝型材仓储自动化立体库的设计与应用[J]. 物流技术:装备版,2012(18):25-27.
[3] 王侃, 马兴邦. 立体仓库货架立柱有限元分析及改进设计[J]. 机电信息,2016(15):58,59.
[4] 贾文华, 殷晨波, 张淞. 基于Pro/E 和ANSYS 集成的立体货架的结构分析方法[J]. 现代制造工程,2008(2):73-75,87.
[5] 全国薄壁型钢结构标准技术委员会. CECS23:90 钢货架结构设计规范 [S].
[6] 中国国家标准化管理委员会. GB706—2016 热轧型钢[S]. 北京:中国标准出版社,2016.
[7] 张岩.Ansys Workbench 15.0 有限元分析及仿真[M]. 北京:机械工业出版社,2014.
[8] 中华人民共和国建设部. GB50011—2010 建筑设计抗震规范 [S].北京:中国建筑工业出版社,2016.
[9] 韩书银,万德安. 大型高层立体仓库货架系统的有限元分析[J]. 山西科技, 2006,20(1):112,113.
[10]ANSI MH16.1—2012 Specification for the Design,Testing andUtilization of Industrial Steel Storage Racks[S].
“一带一路”背景下,物流装备企业的全球化发展 01月01日 08:00
解读汽车物流全局数字化 08月16日 14:11
“大数据与智慧物流”专题报道 12月06日 14:24
2017年中国零售电商十大热点事件点评 12月11日 16:35
供应链协同、互联网+,中国制造业转型的十个方向! 01月11日 10:42
预判:2018年,中国快递十个可见趋势 02月28日 11:16
2018年关于零售的18个趋势 03月27日 10:51